Официальное опубликование правовых актов
ОФИЦИАЛЬНОЕ ОПУБЛИКОВАНИЕ
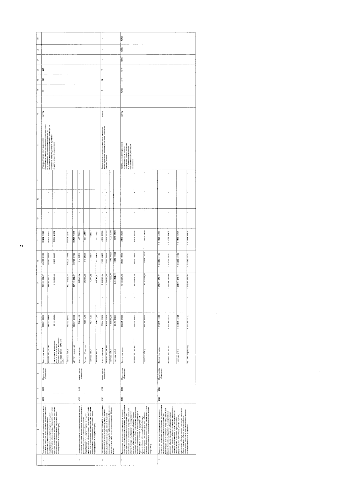
Постановление Правительства Омской области от 21.01.2025 № 20-п
"О внесении изменений в отдельные постановления Правительства Омской области"
Номер опубликования: 5500202501230006
Дата опубликования: 23.01.2025
Страница №59 из 82:
Увеличить