Официальное опубликование правовых актов
ОФИЦИАЛЬНОЕ ОПУБЛИКОВАНИЕ
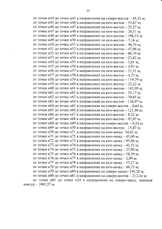
Приказ комитета государственной охраны объектов культурного наследия Волгоградской области от 31.07.2023 № 346
"Об установлении зон охраны объекта культурного наследия регионального значения "Комплекс застройки города гидростроителей", расположенного по адресу: Волгоградская область, г. Волжский, 1-ая очередь города, утверждении требований к градостроительным регламентам в границах данных зон и о внесении изменений в некоторые приказы комитета государственной охраны объектов культурного наследия Волгоградской области"
Номер опубликования: 3401202308010008
Дата опубликования: 01.08.2023
Страница №25 из 35:
Увеличить