Официальное опубликование правовых актов
ОФИЦИАЛЬНОЕ ОПУБЛИКОВАНИЕ
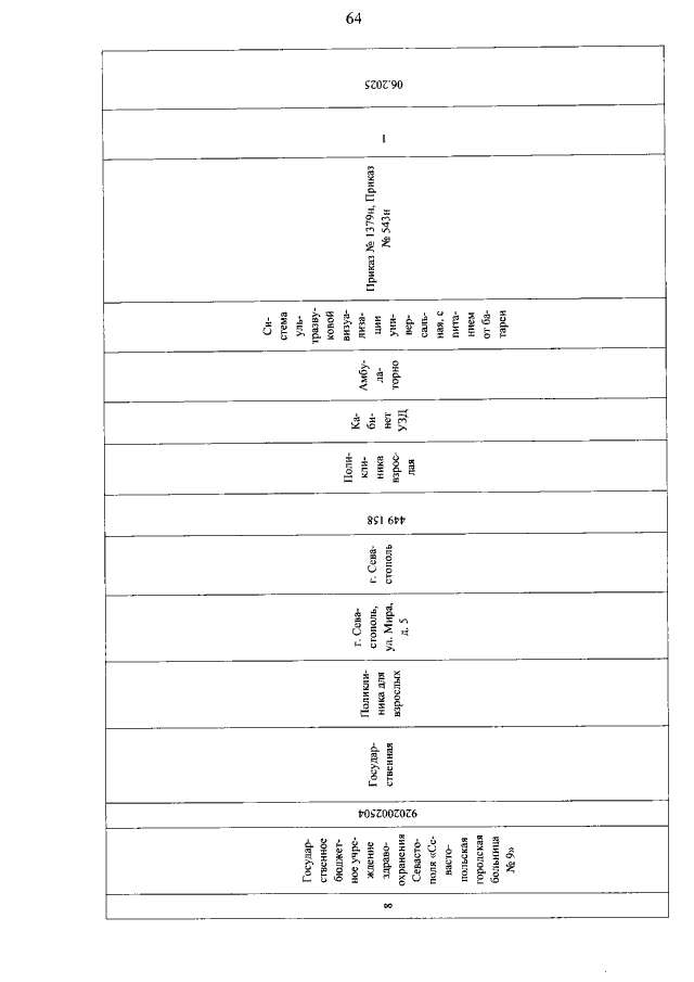
Постановление Правительства Севастополя от 10.08.2021 № 370-ПП
"О внесении изменений в постановление Правительства Севастополя от 23.11.2016 № 1115-ПП "Об утверждении государственной программы города Севастополя "Развитие здравоохранения в городе Севастополе"
Номер опубликования: 9200202108160004
Дата опубликования: 16.08.2021
Страница №65 из 143:
Увеличить