Официальное опубликование правовых актов
ОФИЦИАЛЬНОЕ ОПУБЛИКОВАНИЕ
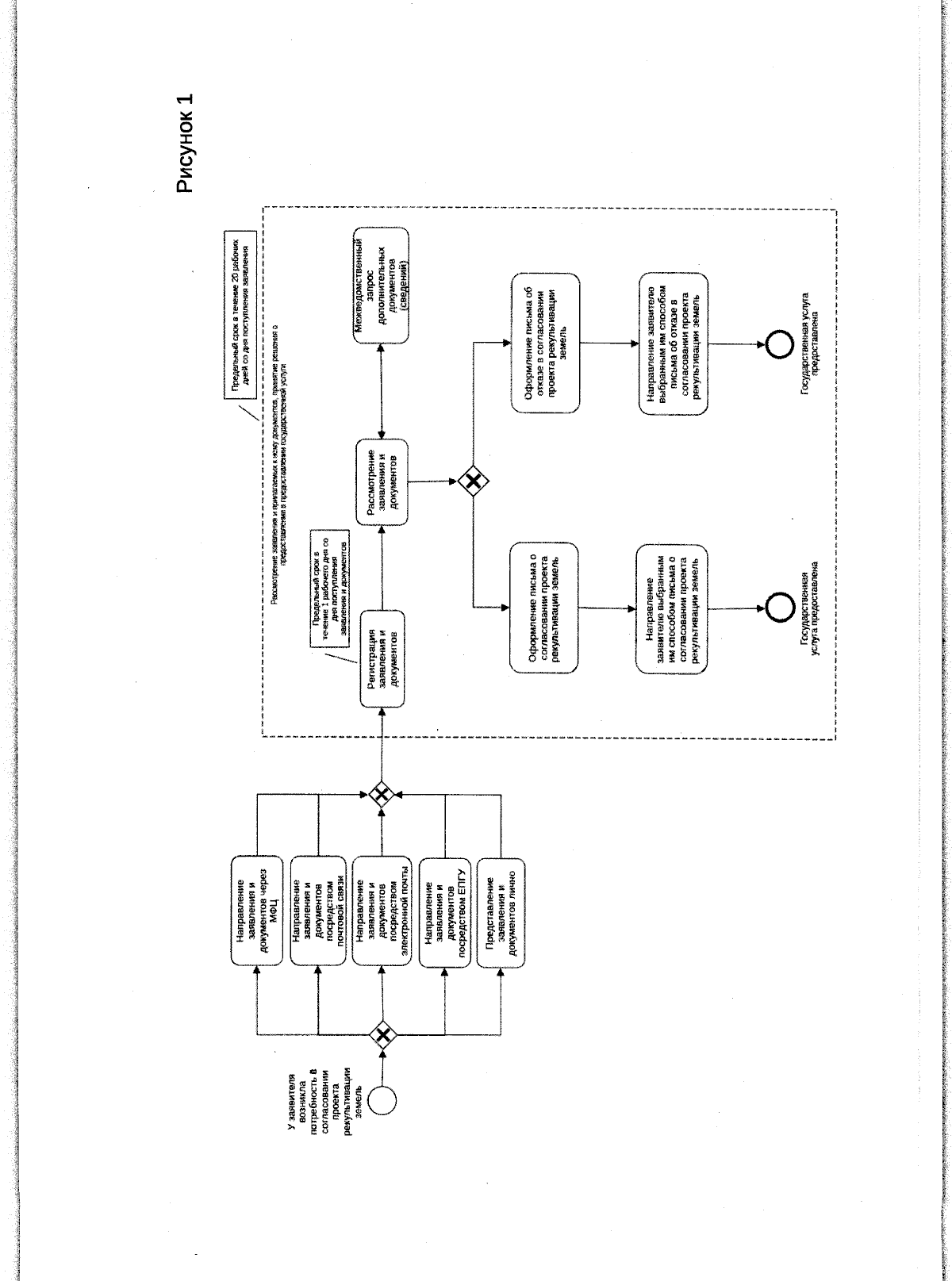
Приказ Департамента имущественных отношений Ямало-Ненецкого автономного округа от 21.10.2025 № 419
"О внесении изменений в некоторые приказы департамента имущественных отношений Ямало-Ненецкого автономного округа по вопросам предоставления государственных услуг"
(Зарегистрирован 22.10.2025 № 335)
Номер опубликования: 8901202510220002
Дата опубликования: 22.10.2025
Страница №53 из 84:
Увеличить