Официальное опубликование правовых актов
ОФИЦИАЛЬНОЕ ОПУБЛИКОВАНИЕ
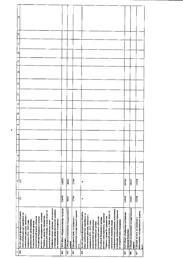
Постановление Правительства Ямало-Ненецкого автономного округа от 29.02.2016 № 156-П
"О внесении изменения в детализированный перечень мероприятий подпрограмм государственной программы Ямало-Ненецкого автономного округа "Развитие здравоохранения на 2014 – 2020 годы" на 2015 год"
Номер опубликования: 8900201603040017
Дата опубликования: 04.03.2016
Страница №42 из 43:
Увеличить