Постановление Правительства Ямало-Ненецкого автономного округа от 20.08.2015 № 789-П
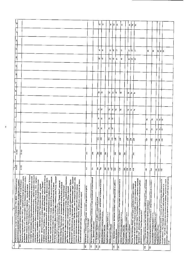
"О внесении изменения в детализированный перечень мероприятий подпрограмм государственной программы Ямало-Ненецкого автономного округа "Развитие туризма, повышение эффективности реализации молодёжной политики, организация отдыха и оздоровления детей и молодёжи на 2014 – 2020 годы" на 2015 год"
"О внесении изменения в детализированный перечень мероприятий подпрограмм государственной программы Ямало-Ненецкого автономного округа "Развитие туризма, повышение эффективности реализации молодёжной политики, организация отдыха и оздоровления детей и молодёжи на 2014 – 2020 годы" на 2015 год"
Номер опубликования: 8900201508270016
Дата опубликования:
27.08.2015
