Официальное опубликование правовых актов
ОФИЦИАЛЬНОЕ ОПУБЛИКОВАНИЕ
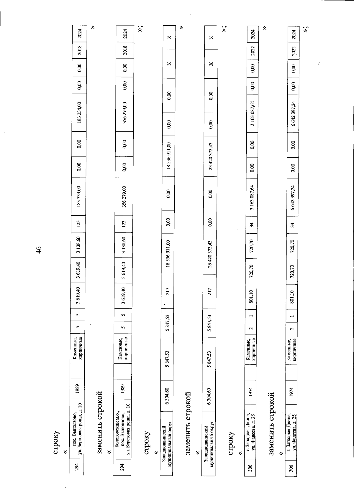
Постановление Правительства Тверской области от 15.04.2025 № 201-пп
"О внесении изменений в постановление Правительства Тверской области от 29.12.2022 № 788-пп"
Номер опубликования: 6900202504160010
Дата опубликования: 16.04.2025
Страница №46 из 120:
Увеличить