Официальное опубликование правовых актов
ОФИЦИАЛЬНОЕ ОПУБЛИКОВАНИЕ
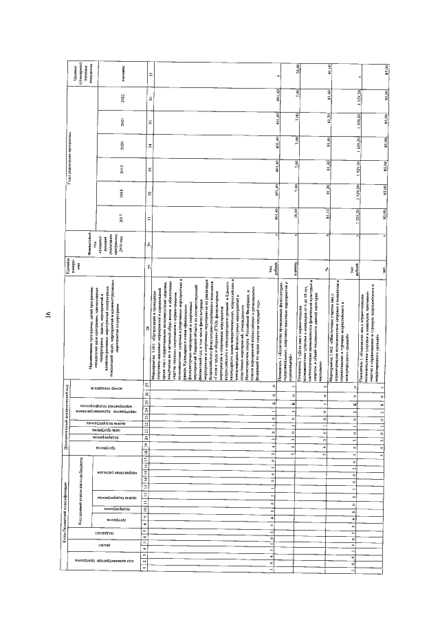
Постановление Правительства Тверской области от 16.07.2018 № 212-пп
"О внесении изменений в отдельные постановления Правительства Тверской области"
Номер опубликования: 6900201807180009
Дата опубликования: 18.07.2018
Страница №16 из 21:
Увеличить