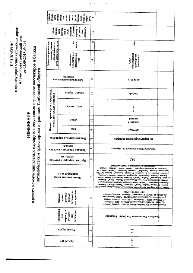
Приказ Управления автомобильных дорог и транспорта Тамбовской области от 03.09.2018 № 245
"Об установлении межмуниципального маршрута регулярных перевозок "Тамбов - Гавриловка 2-я (через Бондари)" и о внесении изменений в реестр межмуниципальных маршрутов регулярных перевозок пассажиров и багажа автомобильным транспортом в границах Тамбовской области"
"Об установлении межмуниципального маршрута регулярных перевозок "Тамбов - Гавриловка 2-я (через Бондари)" и о внесении изменений в реестр межмуниципальных маршрутов регулярных перевозок пассажиров и багажа автомобильным транспортом в границах Тамбовской области"
Номер опубликования: 6801201809050003
Дата опубликования:
05.09.2018
