Официальное опубликование правовых актов
ОФИЦИАЛЬНОЕ ОПУБЛИКОВАНИЕ
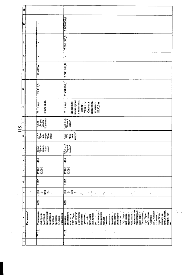
Постановление Правительства Сахалинской области от 27.06.2017 № 302
"О внесении изменений в адресную инвестиционную программу Сахалинской области на 2017 год и на плановый период 2018 и 2019 годов"
Номер опубликования: 6500201706300006
Дата опубликования: 30.06.2017
Страница №200 из 202:
Увеличить