Официальное опубликование правовых актов
ОФИЦИАЛЬНОЕ ОПУБЛИКОВАНИЕ
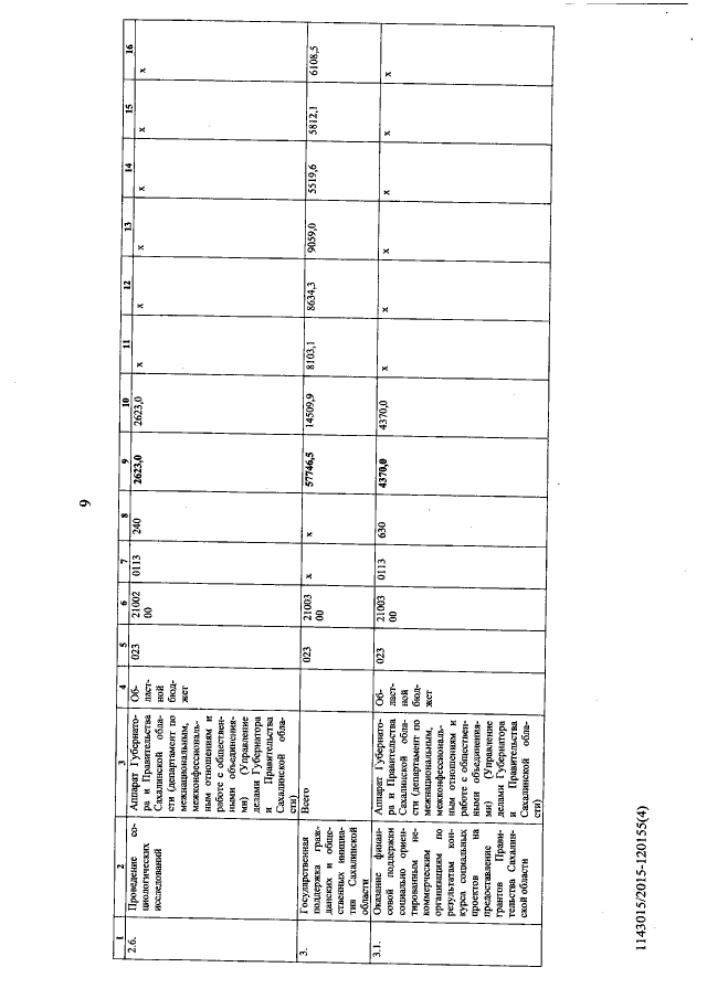
Постановление Правительства Сахалинской области от 27.01.2016 № 28
"О внесении изменений в государственную программу Сахалинской области "Совершенствование системы государственного управления (2014 - 2020 годы)"
Номер опубликования: 6500201601290002
Дата опубликования: 29.01.2016
Страница №14 из 78:
Увеличить