Официальное опубликование правовых актов
ОФИЦИАЛЬНОЕ ОПУБЛИКОВАНИЕ
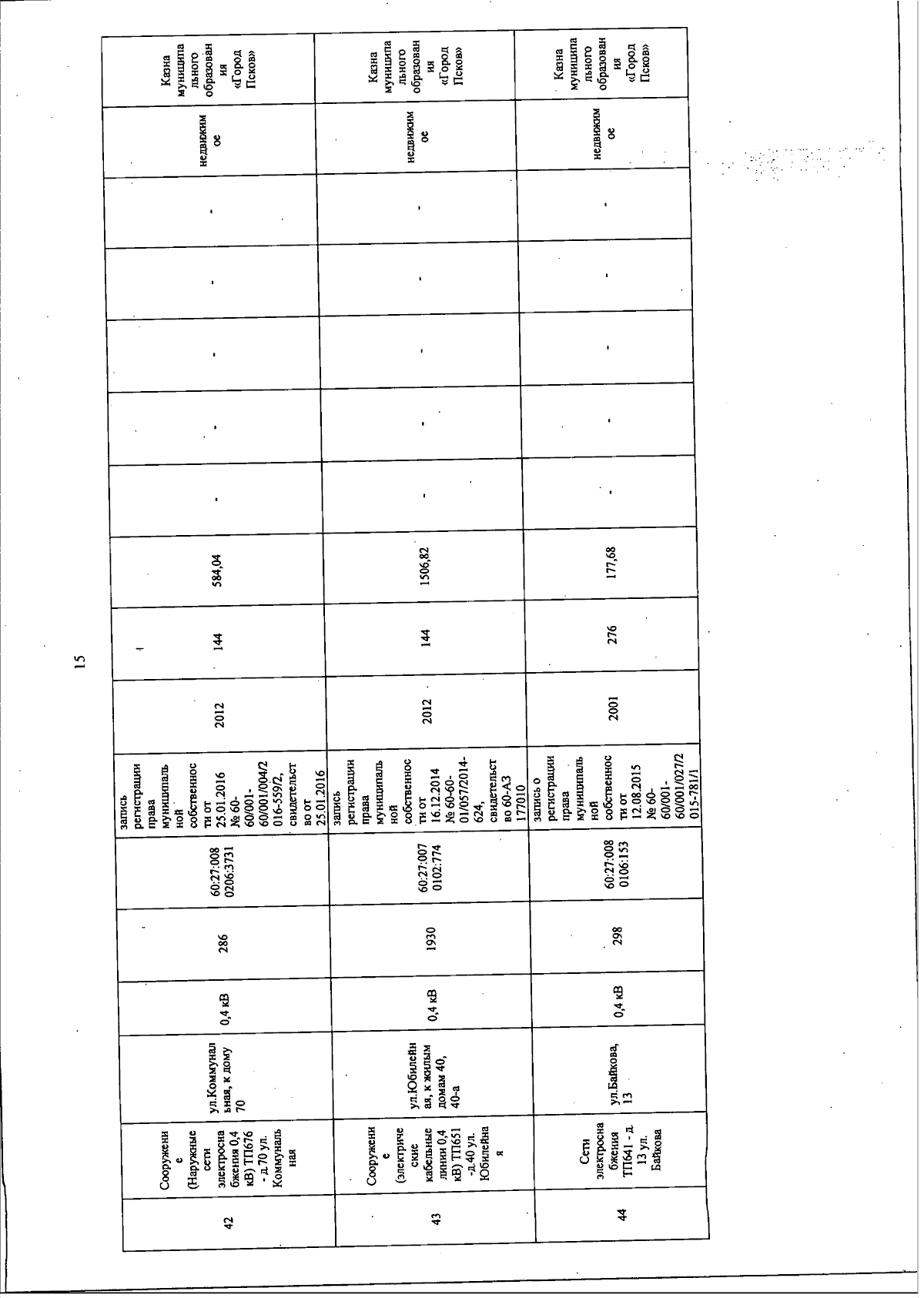
Приказ Комитета по тарифам и энергетике Псковской области от 28.03.2025 № 24
"О перечне объектов электросетевого хозяйства, подлежащих передаче системообразующей территориальной сетевой организации на территории Псковской области"
(Зарегистрирован 28.03.2025 № 1985)
Номер опубликования: 6001202503310003
Дата опубликования: 31.03.2025
Страница №17 из 32:
Увеличить