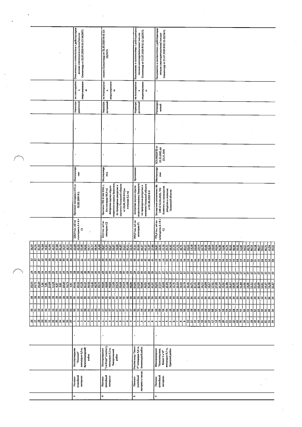
Приказ Комитета по природным ресурсам и экологии Псковской области от 12.02.2024 № 58
"О внесении изменений в приказ Комитета по природным ресурсам и экологии Псковской области от 15.03.2021 № 101 "Об утверждении Перечня участков недр местного значения по Псковской области"
(Зарегистрирован 13.02.2024 № 910)
"О внесении изменений в приказ Комитета по природным ресурсам и экологии Псковской области от 15.03.2021 № 101 "Об утверждении Перечня участков недр местного значения по Псковской области"
(Зарегистрирован 13.02.2024 № 910)
Номер опубликования: 6001202402210007
Дата опубликования:
21.02.2024
