Официальное опубликование правовых актов
ОФИЦИАЛЬНОЕ ОПУБЛИКОВАНИЕ
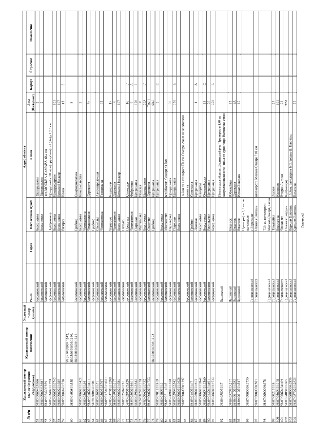
Приказ Департамента государственного имущества Пензенской области от 18.12.2018 № 743-пр
"Об определении перечня объектов недвижимого имущества, указанных в подпунктах 1 и 2 пункта 1 статьи 378.2 Налогового кодекса Российской Федерации, в отношении которых налоговая база определяется как кадастровая стоимость"
Номер опубликования: 5801201812210002
Дата опубликования: 21.12.2018
Страница №3 из 26:
Увеличить