Официальное опубликование правовых актов
ОФИЦИАЛЬНОЕ ОПУБЛИКОВАНИЕ
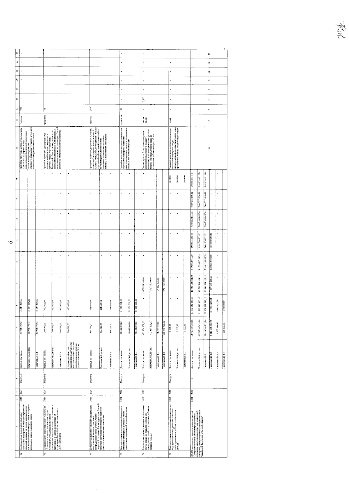
Постановление Правительства Омской области от 27.03.2025 № 178-п
"О внесении изменений в постановление Правительства Омской области от 28 октября 2023 года № 570-п"
Номер опубликования: 5500202503280016
Дата опубликования: 28.03.2025
Страница №16 из 30:
Увеличить