Официальное опубликование правовых актов
ОФИЦИАЛЬНОЕ ОПУБЛИКОВАНИЕ
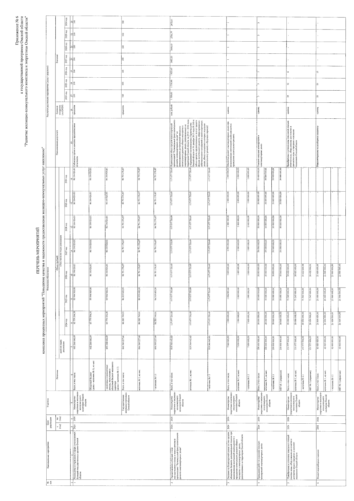
Постановление Правительства Омской области от 28.10.2023 № 572-п
"Об утверждении государственной программы Омской области "Развитие жилищно-коммунального комплекса и энергетики Омской области"
Номер опубликования: 5500202310300021
Дата опубликования: 30.10.2023
Страница №33 из 95:
Увеличить