Официальное опубликование правовых актов
ОФИЦИАЛЬНОЕ ОПУБЛИКОВАНИЕ
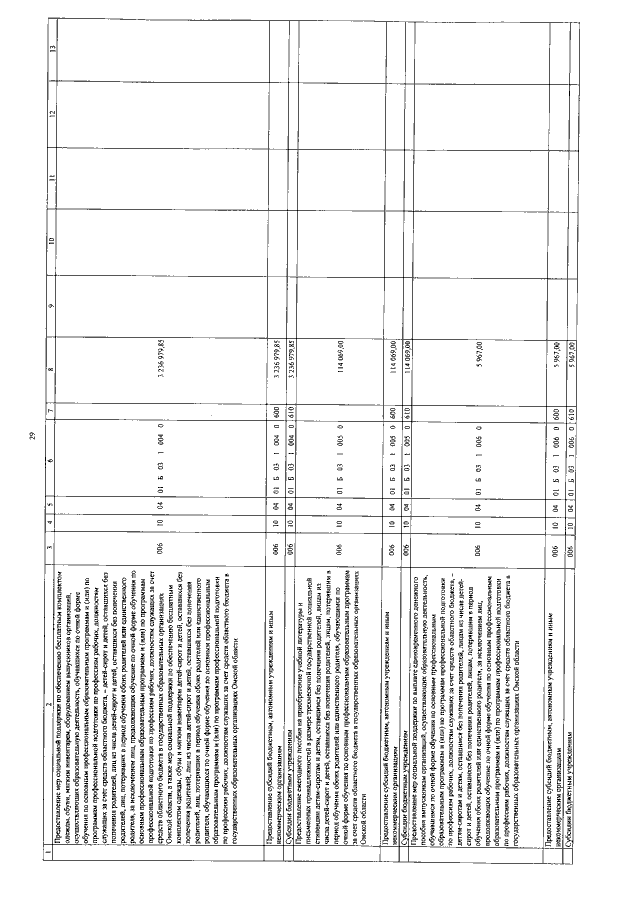
Закон Омской области от 18.07.2022 № 2499-ОЗ
"О внесении изменений в Закон Омской области "Об областном бюджете на 2022 год и на плановый период 2023 и 2024 годов"
Номер опубликования: 5500202207190001
Дата опубликования: 19.07.2022
Страница №92 из 386:
Увеличить