Официальное опубликование правовых актов
ОФИЦИАЛЬНОЕ ОПУБЛИКОВАНИЕ
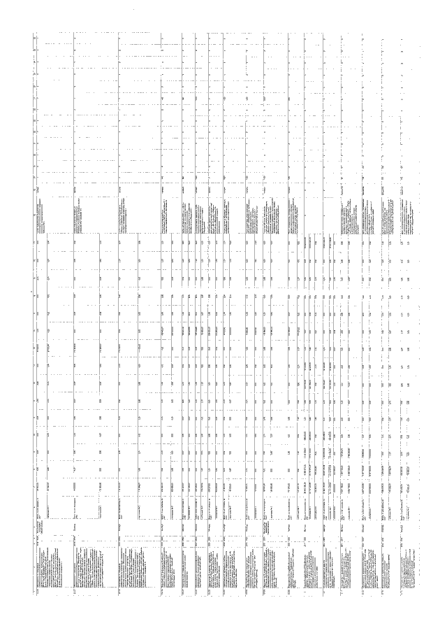
Постановление Правительства Омской области от 13.10.2021 № 453-п
"О внесении изменений в постановление Правительства Омской области от 15 октября 2013 года № 256-п"
Номер опубликования: 5500202110150002
Дата опубликования: 15.10.2021
Страница №15 из 35:
Увеличить