Официальное опубликование правовых актов
ОФИЦИАЛЬНОЕ ОПУБЛИКОВАНИЕ
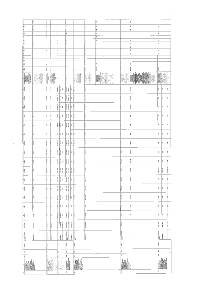
Постановление Правительства Омской области от 25.11.2020 № 485-п
"О внесении изменений в постановление Правительства Омской области от 15 октября 2013 года № 250-п"
Номер опубликования: 5500202011260020
Дата опубликования: 26.11.2020
Страница №26 из 38:
Увеличить