Официальное опубликование правовых актов
ОФИЦИАЛЬНОЕ ОПУБЛИКОВАНИЕ
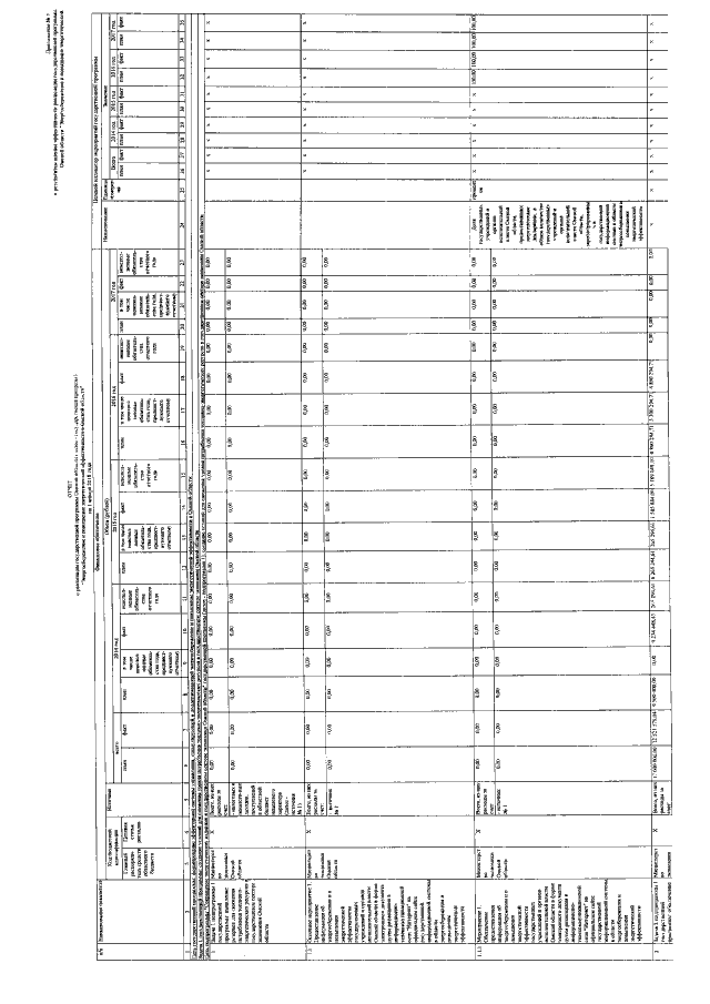
Распоряжение Правительства Омской области от 23.05.2018 № 55-рп
"О результатах оценки эффективности реализации государственной программы Омской области "Энергосбережение и повышение энергетической эффективности в Омской области" за 2017 год"
Номер опубликования: 5500201805250006
Дата опубликования: 25.05.2018
Страница №5 из 15:
Увеличить