Официальное опубликование правовых актов
ОФИЦИАЛЬНОЕ ОПУБЛИКОВАНИЕ
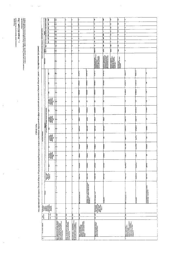
Постановление Правительства Омской области от 28.06.2017 № 179-п
"О внесении изменений в постановление Правительства Омской области от 15 октября 2013 года № 254-п"
Номер опубликования: 5500201706290007
Дата опубликования: 29.06.2017
Страница №4 из 14:
Увеличить