Официальное опубликование правовых актов
ОФИЦИАЛЬНОЕ ОПУБЛИКОВАНИЕ
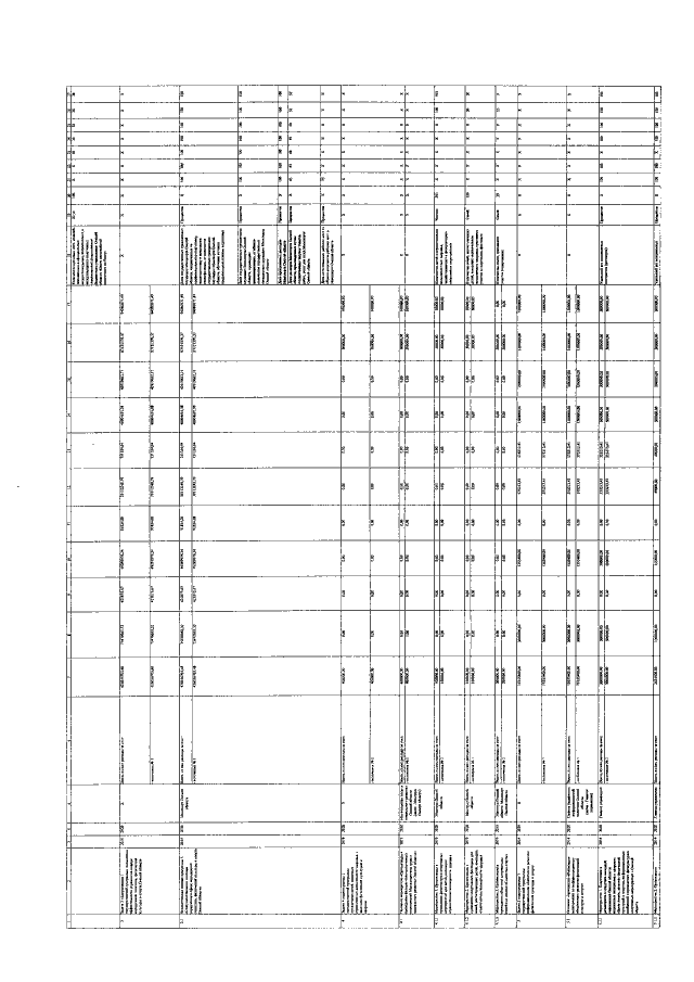
Постановление Правительства Омской области от 27.10.2016 № 319-п
"О внесении изменений в постановление Правительства Омской области от 15 октября 2013 года № 254-п"
Номер опубликования: 5500201610280001
Дата опубликования: 28.10.2016
Страница №5 из 13:
Увеличить