Официальное опубликование правовых актов
ОФИЦИАЛЬНОЕ ОПУБЛИКОВАНИЕ
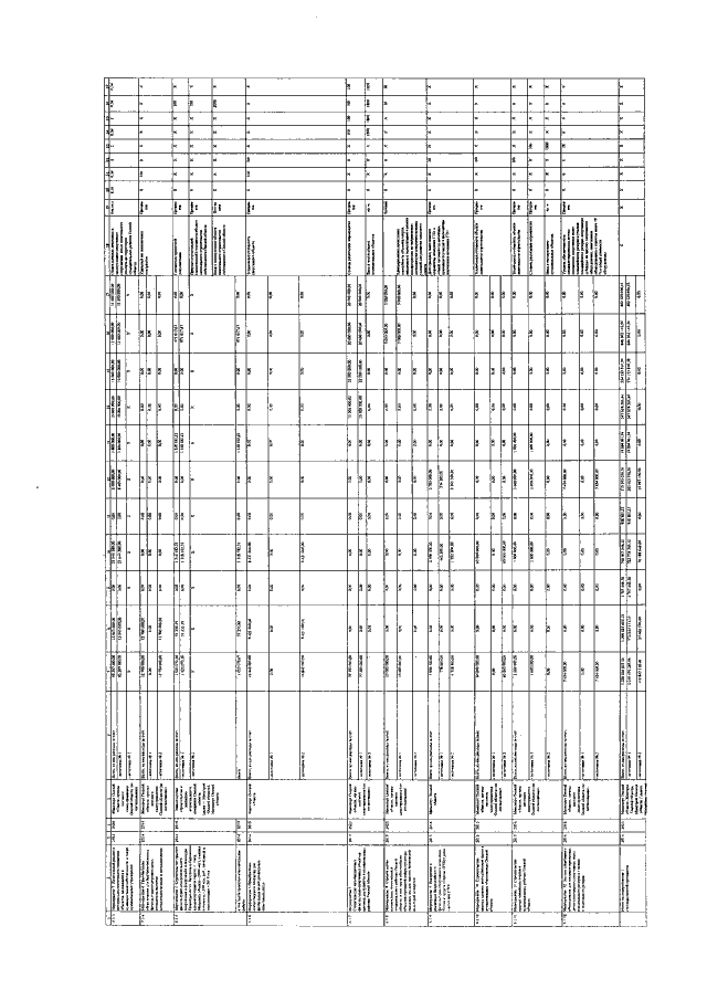
Постановление Правительства Омской области от 20.07.2016 № 211-п
"О внесении изменений в постановление Правительства Омской области от 15 октября 2013 года № 254-п"
Номер опубликования: 5500201607210008
Дата опубликования: 21.07.2016
Страница №26 из 34:
Увеличить