Официальное опубликование правовых актов
ОФИЦИАЛЬНОЕ ОПУБЛИКОВАНИЕ
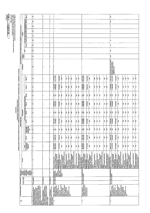
Постановление Правительства Омской области от 05.10.2015 № 265-п
"О внесении изменений в постановление Правительства Омской области от 16 октября 2013 года № 264-п"
Номер опубликования: 5500201510060006
Дата опубликования: 06.10.2015
Страница №7 из 34:
Увеличить