Официальное опубликование правовых актов
ОФИЦИАЛЬНОЕ ОПУБЛИКОВАНИЕ
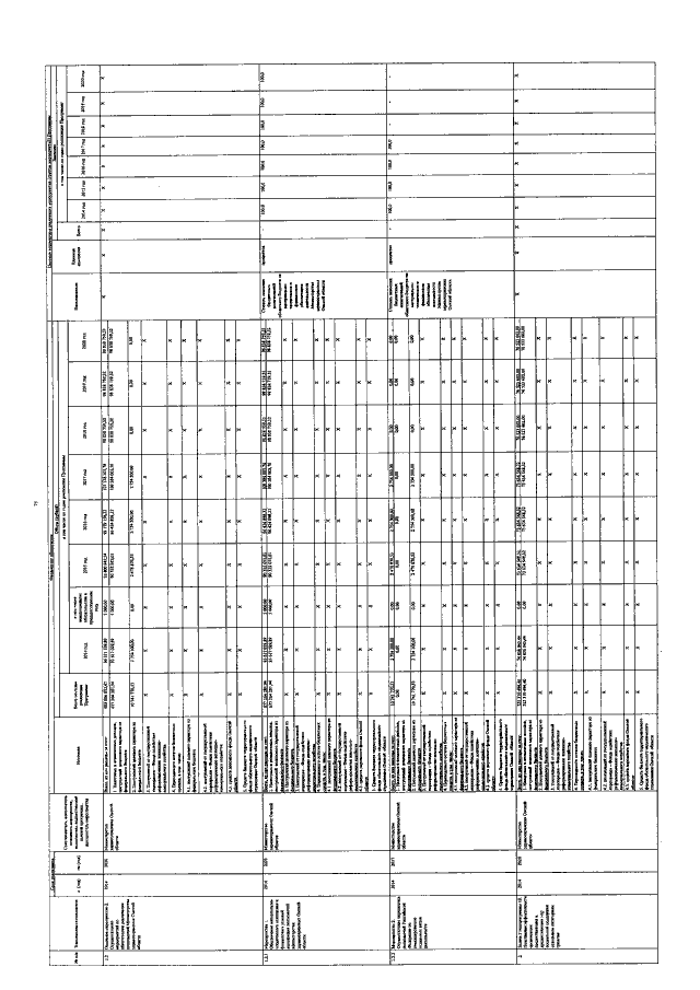
Постановление Правительства Омской области от 26.08.2015 № 231-п
"О внесении изменений в постановление Правительства Омской области от 16 октября 2013 года № 265-п"
Номер опубликования: 5500201508270005
Дата опубликования: 27.08.2015
Страница №79 из 83:
Увеличить