Официальное опубликование правовых актов
ОФИЦИАЛЬНОЕ ОПУБЛИКОВАНИЕ
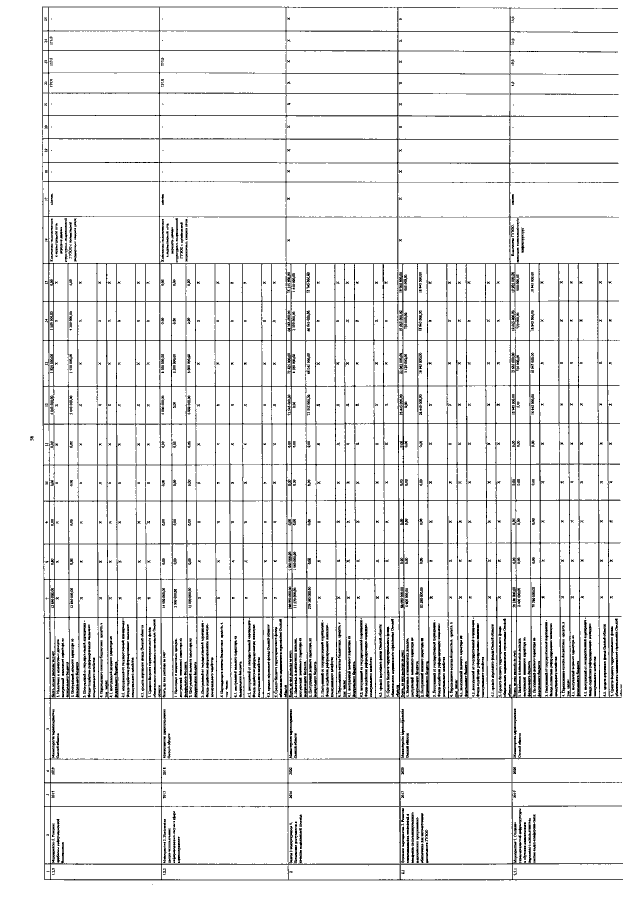
Постановление Правительства Омской области от 24.12.2014 № 331-п
"О внесении изменений в постановление Правительства Омской области от 16 октября 2013 года № 265-п"
Номер опубликования: 5500201412250001
Дата опубликования: 25.12.2014
Страница №61 из 68:
Увеличить