Официальное опубликование правовых актов
ОФИЦИАЛЬНОЕ ОПУБЛИКОВАНИЕ
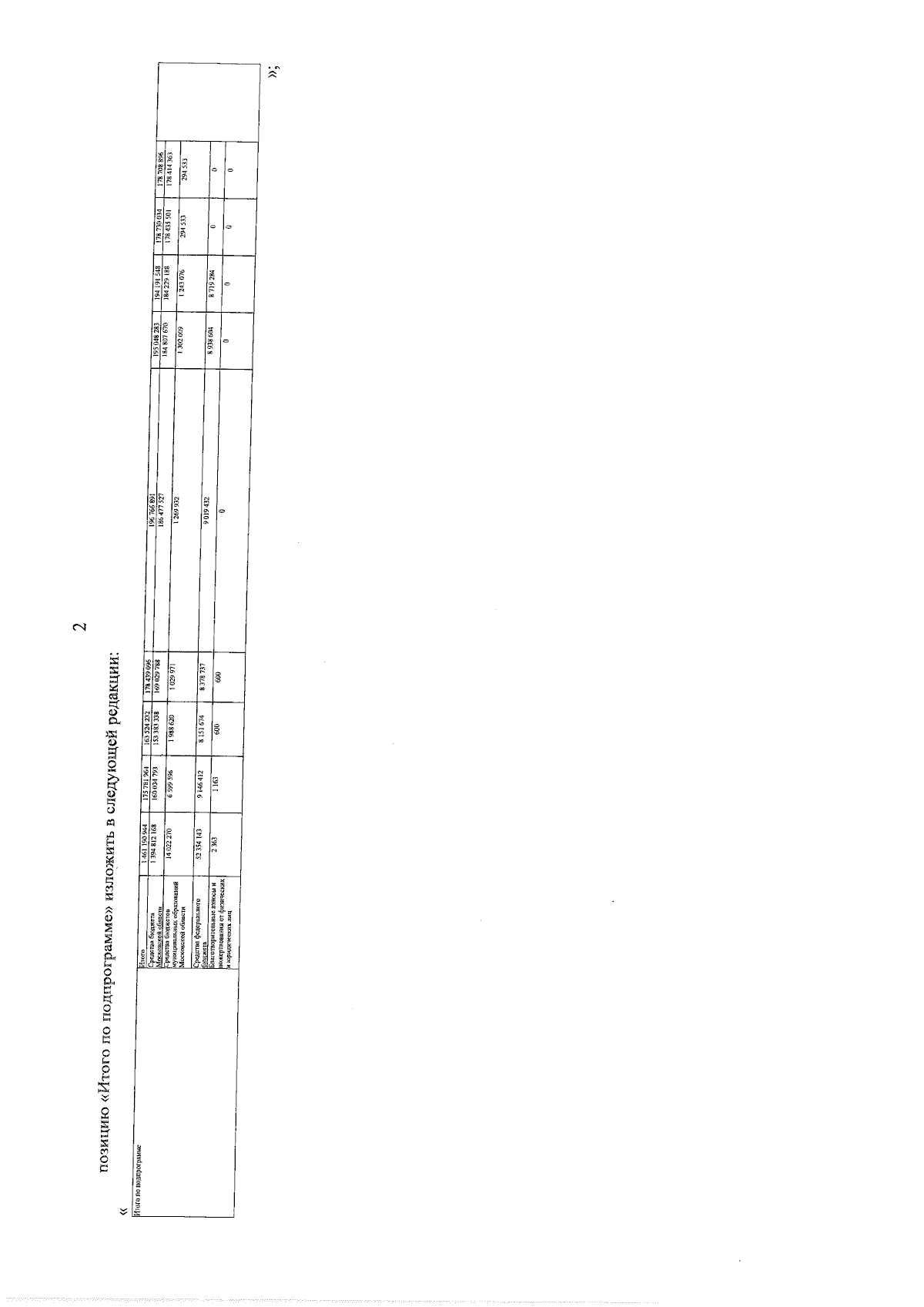
Постановление Правительства Московской области от 28.01.2026 № 59-ПП
"О внесении изменений в государственную программу Московской области "Образование Подмосковья" на 2023-2030 гОды"
Номер опубликования: 5000202602020002
Дата опубликования: 02.02.2026
Страница №4 из 8:
Увеличить