Официальное опубликование правовых актов
ОФИЦИАЛЬНОЕ ОПУБЛИКОВАНИЕ
Постановление Правительства Московской области от 06.11.2025 № 1495-ПП
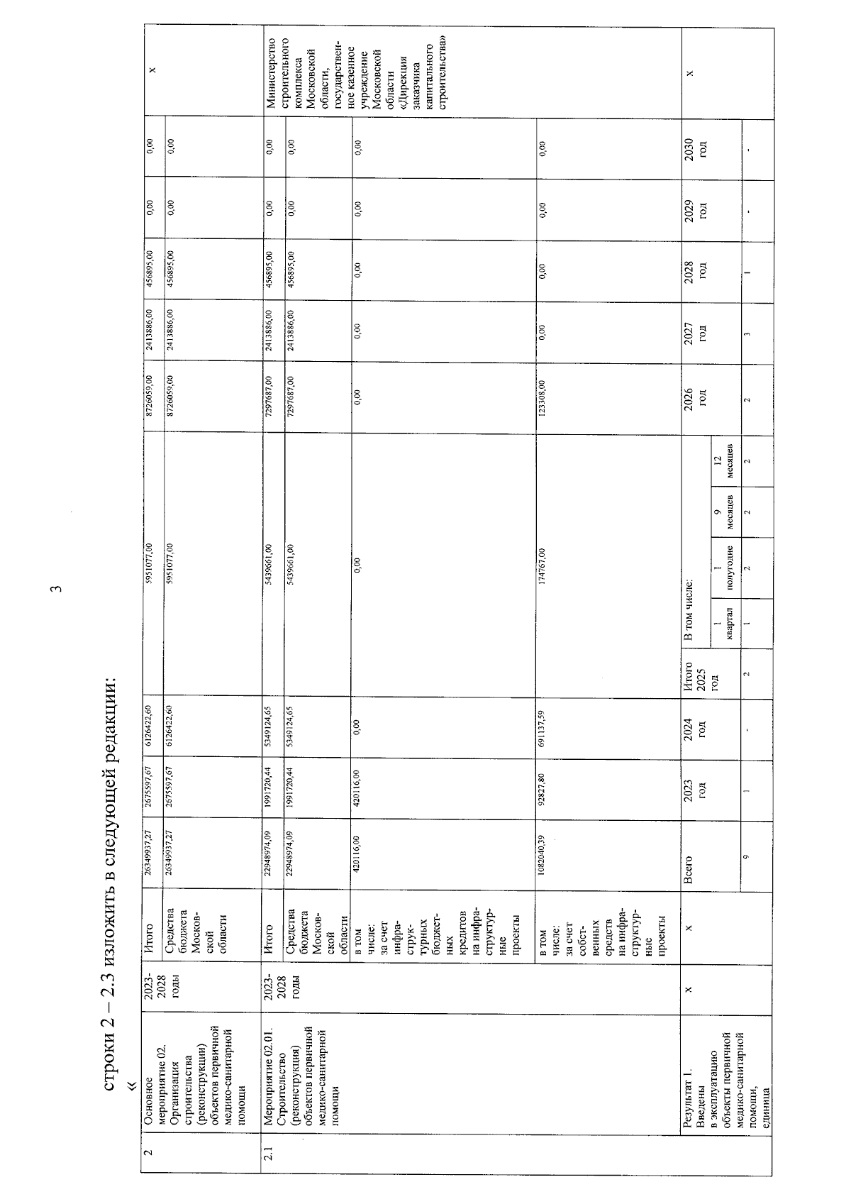
"О внесении изменений в государственную программу Московской области "Строительство и капитальный ремонт объектов социальной инфраструктуры" на 2023-2030 годы"
Номер опубликования: 5000202511120005
Дата опубликования: 12.11.2025
Страница №5 из 62:
Увеличить