Официальное опубликование правовых актов
ОФИЦИАЛЬНОЕ ОПУБЛИКОВАНИЕ
Постановление Правительства Московской области от 18.07.2025 № 869-ПП
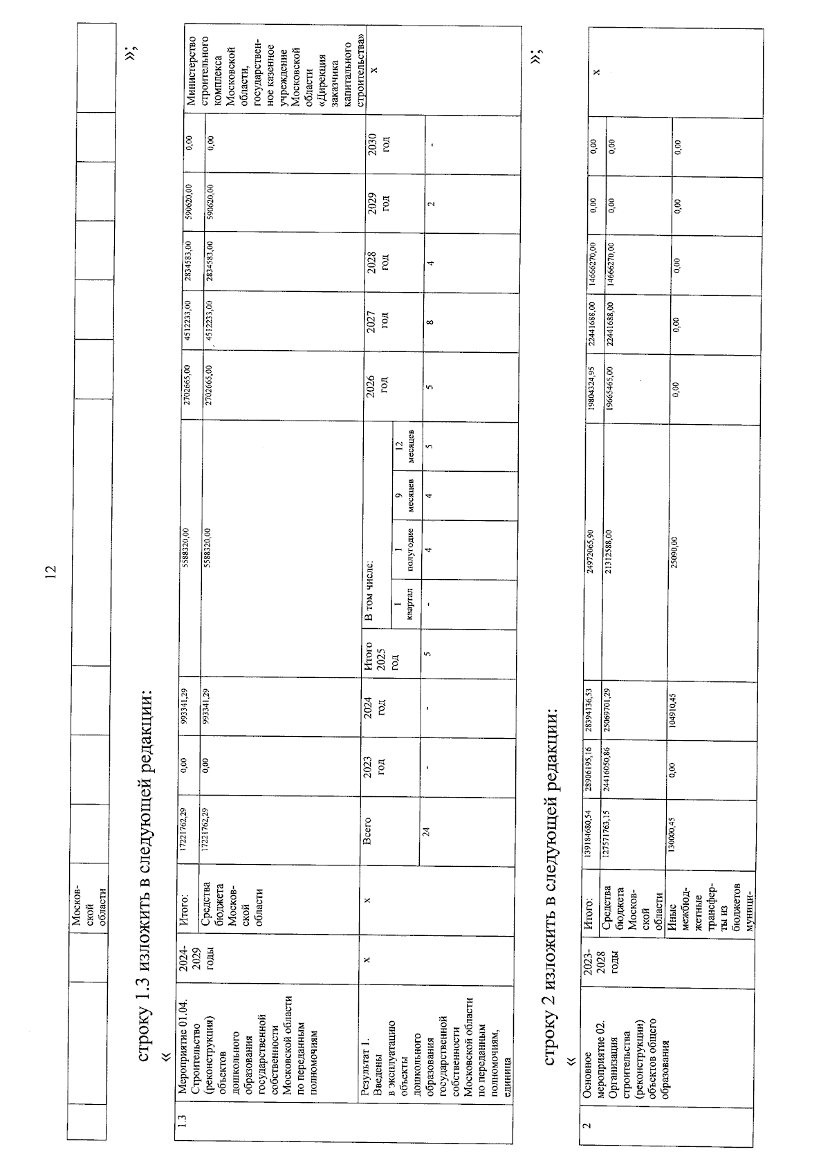
"О распределении бюджетных ассигнований бюджета Московской области и внесении изменений в государственные программы Московской области "Строительство и капитальный ремонт объектов социальной инфраструктуры" на 2023-2030 годы и "Безопасность Подмосковья" на 2023-2027 годы"
Номер опубликования: 5000202507230002
Дата опубликования: 23.07.2025
Страница №16 из 69:
Увеличить