Официальное опубликование правовых актов
ОФИЦИАЛЬНОЕ ОПУБЛИКОВАНИЕ
Постановление Правительства Московской области от 24.04.2025 № 450-ПП
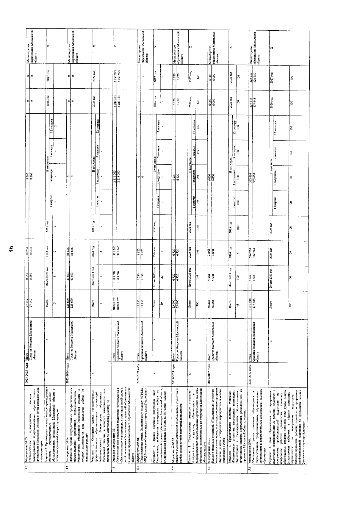
"О распределении бюджетных ассигнований бюджета Московской области, о предоставлении субсидии автономной некоммерческой общеобразовательной организации "Областной технолицей им. В.И. Долгих" и внесении изменений в государственную программу Московской области "Образование Подмосковья" на 2023-2027 годы"
Номер опубликования: 5000202504290007
Дата опубликования: 29.04.2025
Страница №49 из 58:
Увеличить