Официальное опубликование правовых актов
ОФИЦИАЛЬНОЕ ОПУБЛИКОВАНИЕ
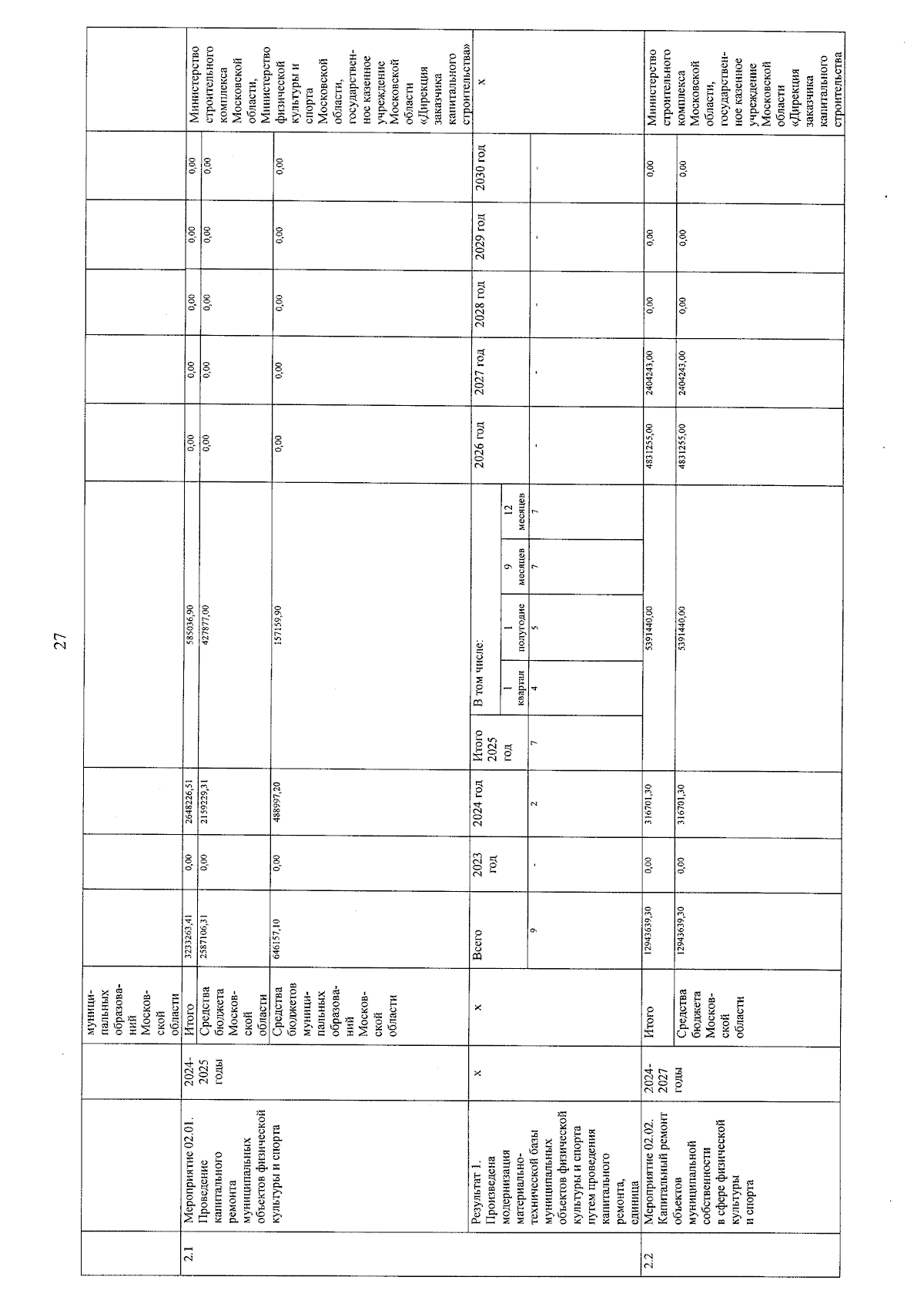
Постановление Правительства Московской области от 12.03.2025 № 226-ПП
"О распределении бюджетных ассигнований бюджета Московской области и внесении изменений в государственную программу Московской области "Строительство и капитальный ремонт объектов социальной инфраструктуры" на 2023-2030 годы"
Номер опубликования: 5000202503200003
Дата опубликования: 20.03.2025
Страница №32 из 160:
Увеличить