Официальное опубликование правовых актов
ОФИЦИАЛЬНОЕ ОПУБЛИКОВАНИЕ
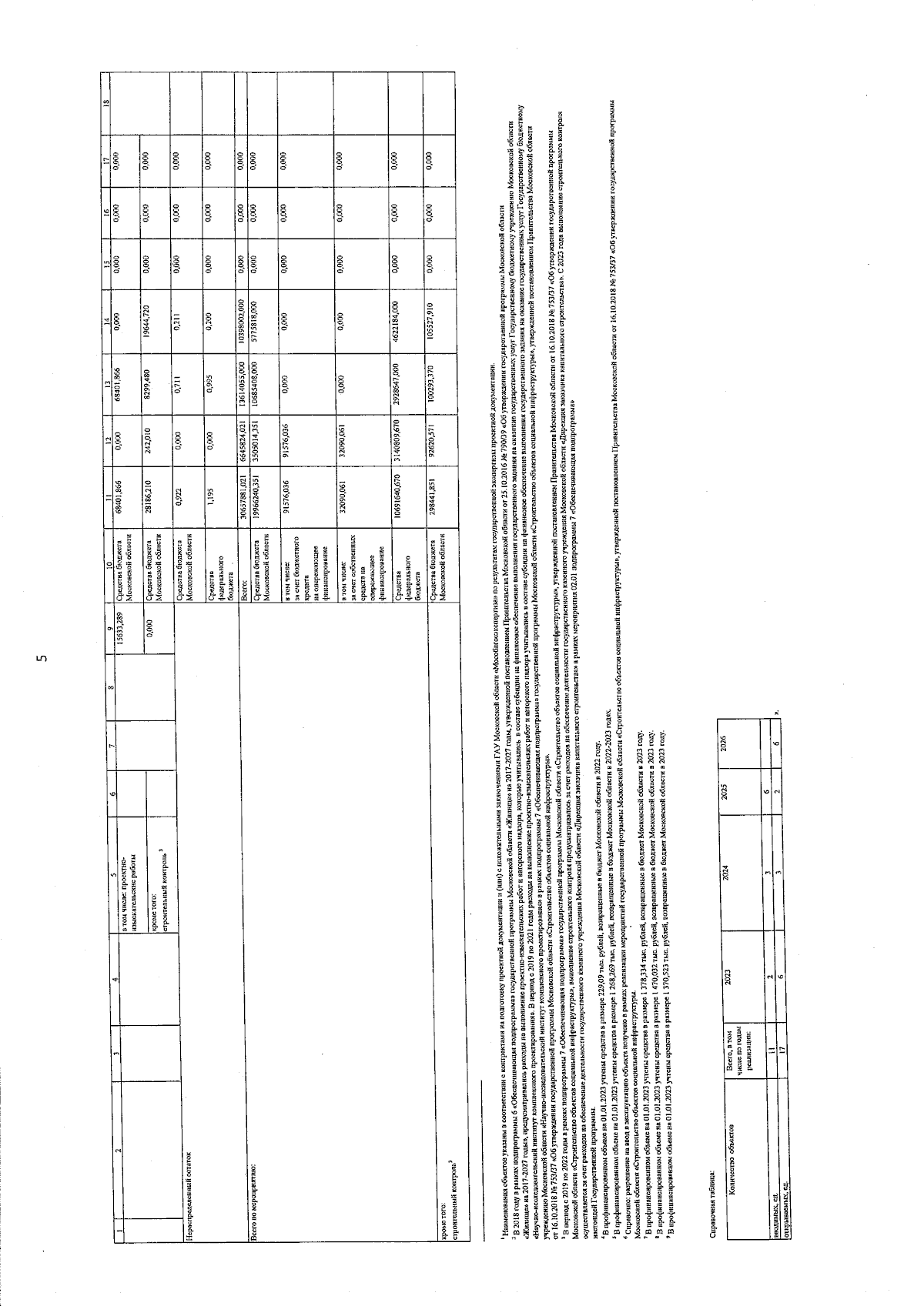
Постановление Правительства Московской области от 03.12.2024 № 1475-ПП
"О внесении изменений в государственные программы Московской области "Строительство и капитальный ремонт объектов социальной инфраструктуры" на 2023-2027 годы и "Безопасность Подмосковья" на 2023-2027 годы"
Номер опубликования: 5000202412090003
Дата опубликования: 09.12.2024
Страница №16 из 23:
Увеличить