Официальное опубликование правовых актов
ОФИЦИАЛЬНОЕ ОПУБЛИКОВАНИЕ
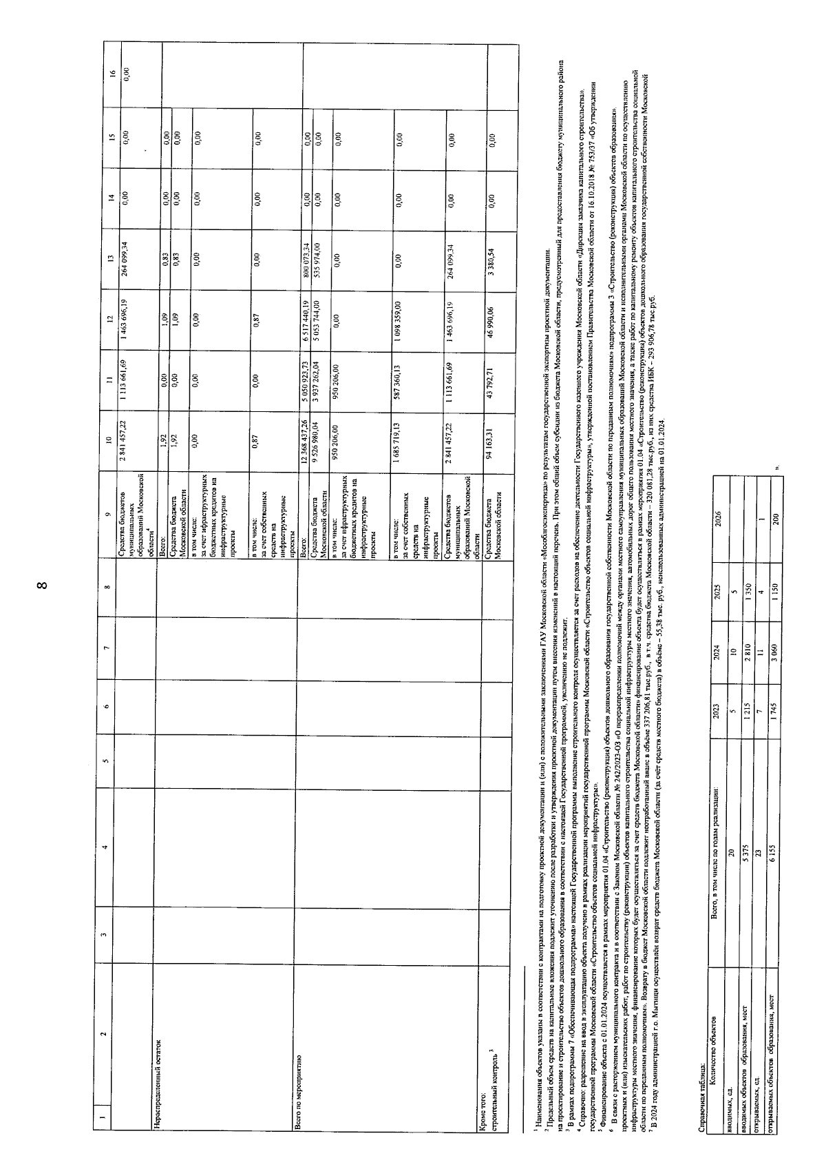
Постановление Правительства Московской области от 24.09.2024 № 1039-ПП
"О распределении бюджетных ассигнований бюджета Московской области и внесении изменений в государственную программу Московской области "Строительство и капитальный ремонт объектов социальной инфраструктуры" на 2023-2027 годы"
Номер опубликования: 5000202409300001
Дата опубликования: 30.09.2024
Страница №28 из 40:
Увеличить