Официальное опубликование правовых актов
ОФИЦИАЛЬНОЕ ОПУБЛИКОВАНИЕ
Постановление Правительства Московской области от 23.05.2024 № 486-ПП
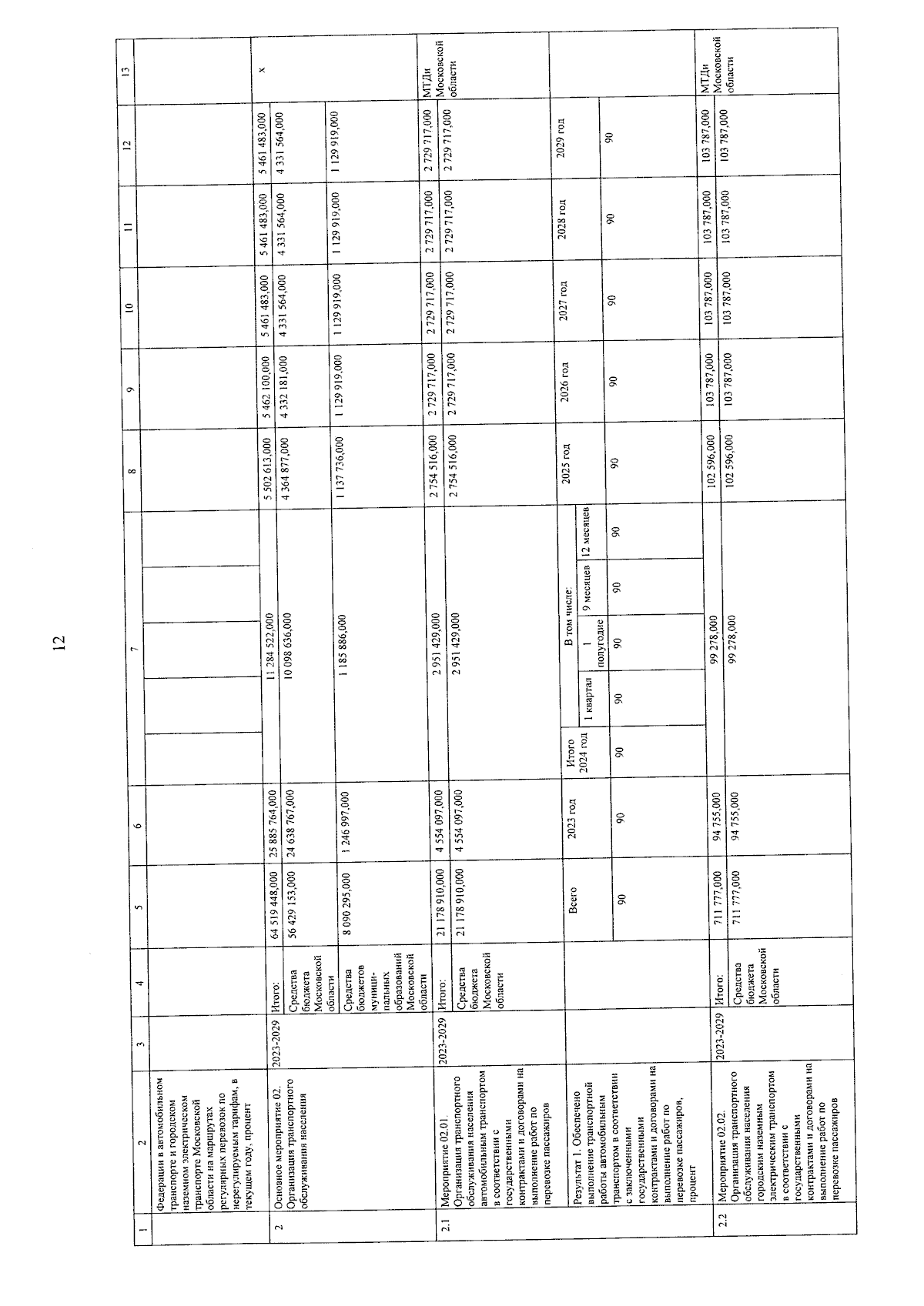
"О распределении бюджетных ассигнований бюджета Московской области и внесении изменений в государственную программу Московской области "Развитие и функционирование дорожно-транспортного комплекса" на 2023—2027 годы"
Номер опубликования: 5000202405300001
Дата опубликования: 30.05.2024
Страница №15 из 75:
Увеличить