Официальное опубликование правовых актов
ОФИЦИАЛЬНОЕ ОПУБЛИКОВАНИЕ
Постановление администрации Липецкой области от 07.12.2020 № 659
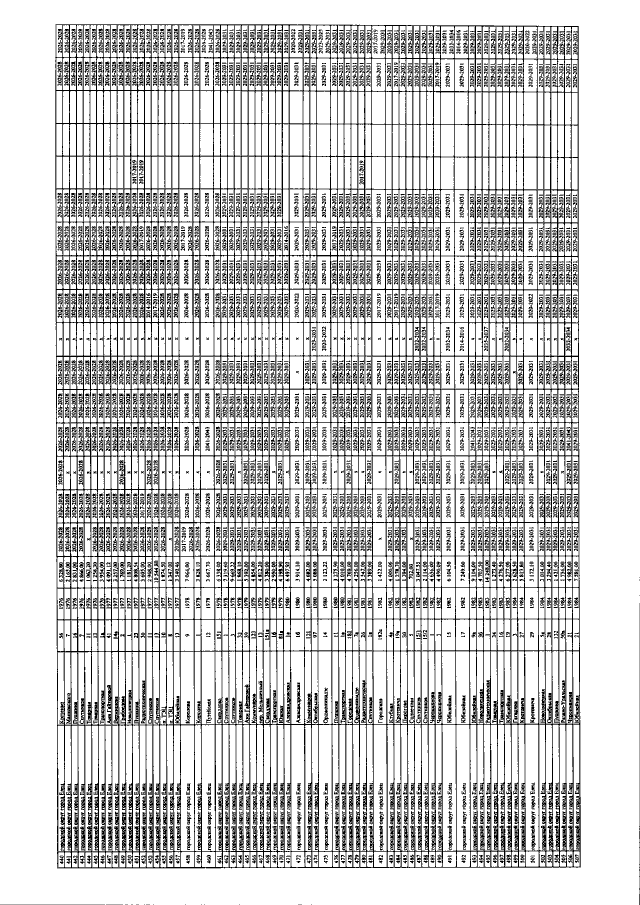
"О внесении изменений в постановление администрации Липецкой области от 28 ноября 2013 года № 528 "Об утверждении областной программы капитального ремонта общего имущества в многоквартирных домах, расположенных на территории Липецкой области"
Номер опубликования: 4800202012090001
Дата опубликования: 09.12.2020
Страница №23 из 100:
Увеличить