Официальное опубликование правовых актов
ОФИЦИАЛЬНОЕ ОПУБЛИКОВАНИЕ
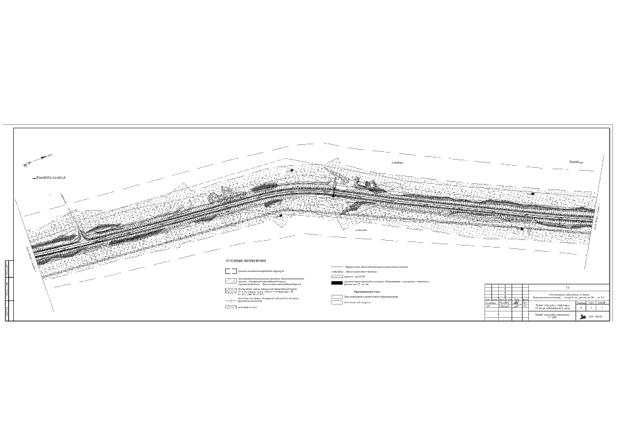
Постановление Правительства Камчатского края от 13.04.2016 № 129-П
"Об утверждении документации по планировке территории для размещения линейных объектов регионального значения"
Номер опубликования: 4100201604190008
Дата опубликования: 19.04.2016
Страница №43 из 75:
Увеличить