Официальное опубликование правовых актов
ОФИЦИАЛЬНОЕ ОПУБЛИКОВАНИЕ
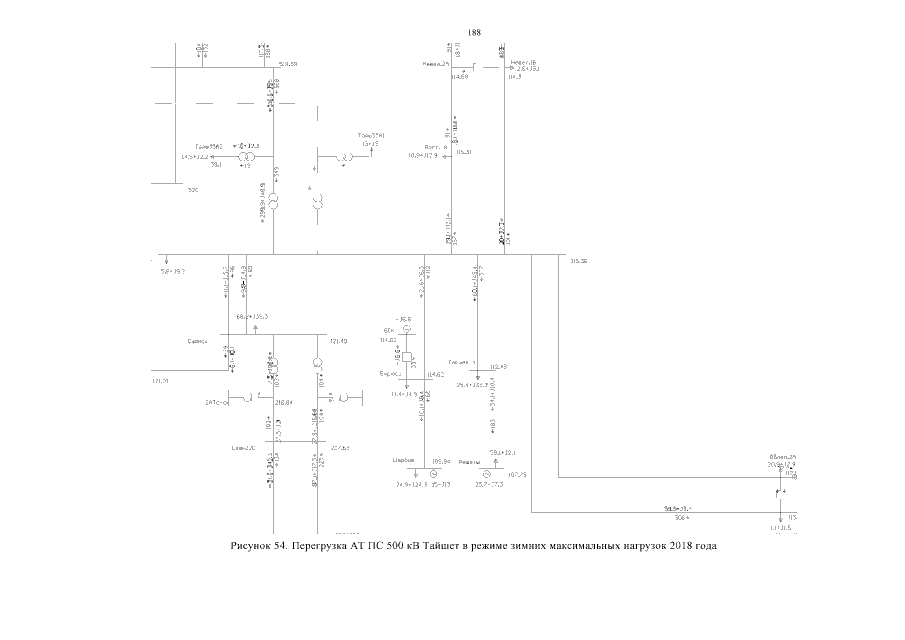
Указ Губернатора Иркутской области от 10.08.2017 № 140-уг
"Об утверждении схемы и программы развития электроэнергетики Иркутской области на 2018-2022 годы"
Номер опубликования: 3800201708180001
Дата опубликования: 18.08.2017
Страница №189 из 322:
Увеличить