Официальное опубликование правовых актов
ОФИЦИАЛЬНОЕ ОПУБЛИКОВАНИЕ
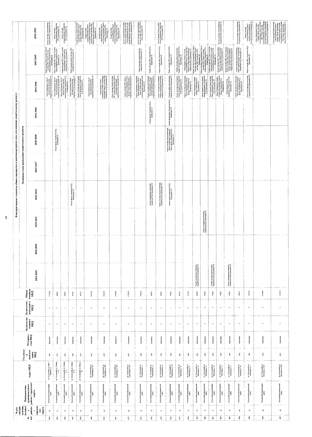
Постановление Правительства Воронежской области от 22.12.2023 № 964
"О внесении изменений в постановление Правительства Воронежской области от 30.12.2022 № 1035"
Номер опубликования: 3600202312260015
Дата опубликования: 26.12.2023
Страница №432 из 437:
Увеличить