Официальное опубликование правовых актов
ОФИЦИАЛЬНОЕ ОПУБЛИКОВАНИЕ
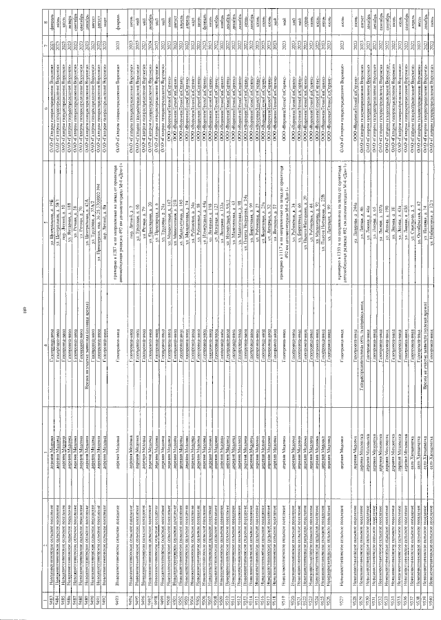
Постановление Правительства Воронежской области от 24.05.2023 № 374
"О внесении изменений в постановление Правительства Воронежской области от 10.02.2022 № 64"
Номер опубликования: 3600202305240004
Дата опубликования: 24.05.2023
Страница №190 из 242:
Увеличить