Официальное опубликование правовых актов
ОФИЦИАЛЬНОЕ ОПУБЛИКОВАНИЕ
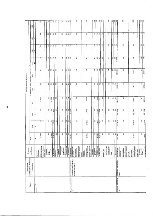
Постановление правительства Воронежской области от 03.09.2019 № 843
"О внесении изменений в постановление правительства Воронежской области от 29.10.2015 № 834"
Номер опубликования: 3600201909040004
Дата опубликования: 04.09.2019
Страница №81 из 90:
Увеличить