Официальное опубликование правовых актов
ОФИЦИАЛЬНОЕ ОПУБЛИКОВАНИЕ
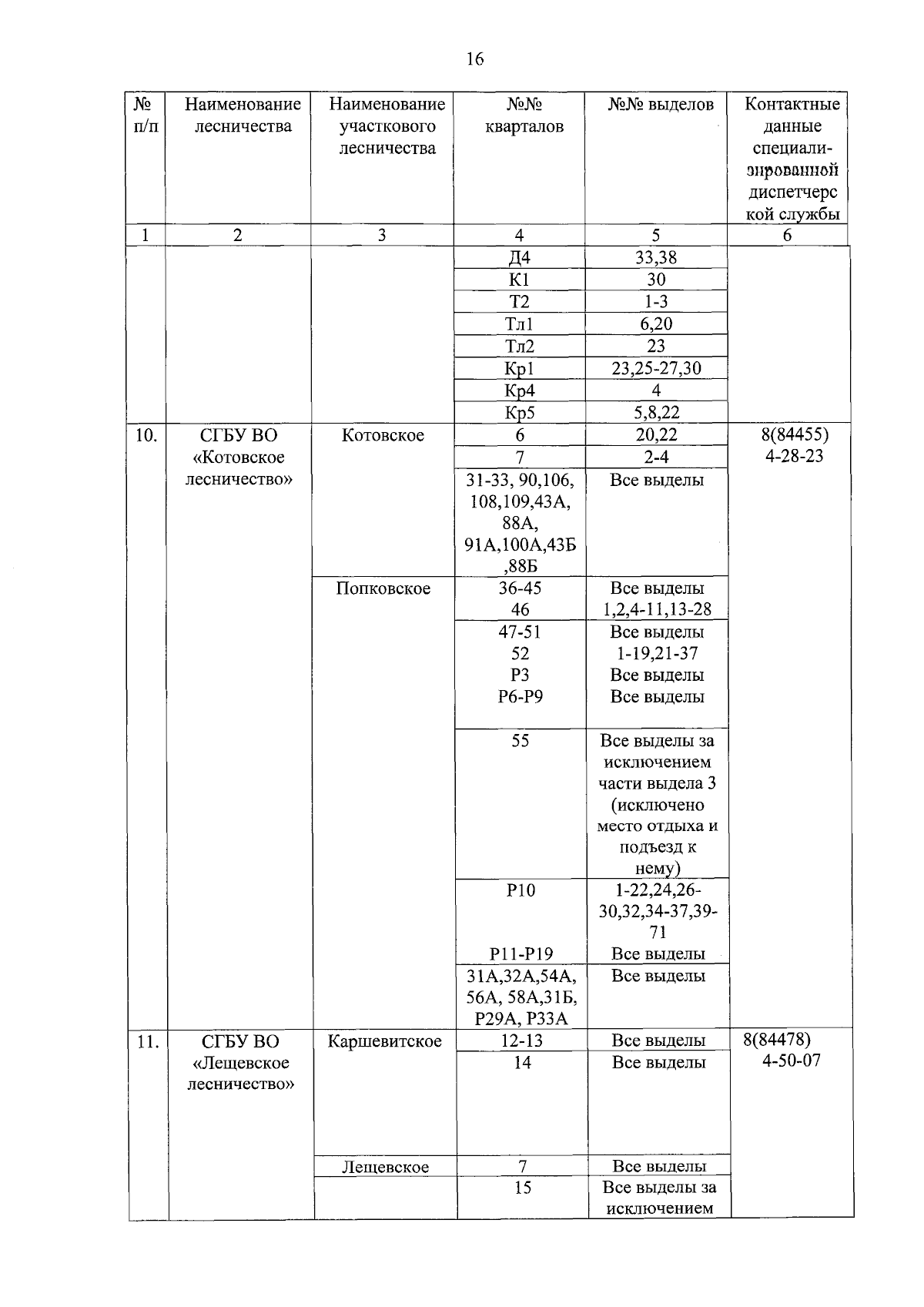
Приказ комитета природных ресурсов, лесного хозяйства и экологии Волгоградской области от 12.09.2025 № 1171-ОД
"Об ограничении пребывания граждан в лесах и въезда в них транспортных средств, а также проведения в лесах определенных видов работ в целях обеспечения пожарной безопасности в лесах"
Номер опубликования: 3401202509150013
Дата опубликования: 15.09.2025
Страница №18 из 50:
Увеличить