Официальное опубликование правовых актов
ОФИЦИАЛЬНОЕ ОПУБЛИКОВАНИЕ
Приказ комитета жилищно-коммунального хозяйства Волгоградской области от 20.08.2025 № 73-ОД
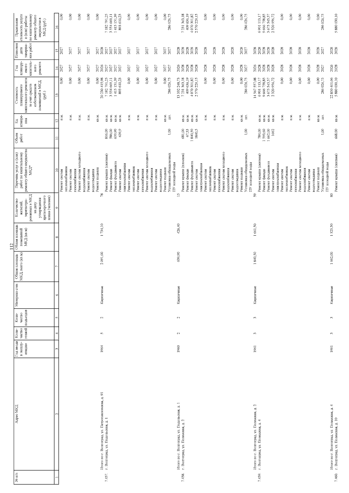
"О внесении изменений в приказ комитета жилищно-коммунального хозяйства Волгоградской области от 30 января 2025 г. № 9-ОД "Об утверждении краткосрочного плана реализации региональной программы "Капитальный ремонт общего имущества в многоквартирных домах, расположенных на территории Волгоградской области", утвержденной постановлением Правительства Волгоградской области от 31 декабря 2013 г. № 812-п, на 2026-2028 годы"
Номер опубликования: 3401202508210003
Дата опубликования: 21.08.2025
Страница №113 из 428:
Увеличить