Официальное опубликование правовых актов
ОФИЦИАЛЬНОЕ ОПУБЛИКОВАНИЕ
Приказ комитета жилищно-коммунального хозяйства Волгоградской области от 24.02.2025 № 21-ОД
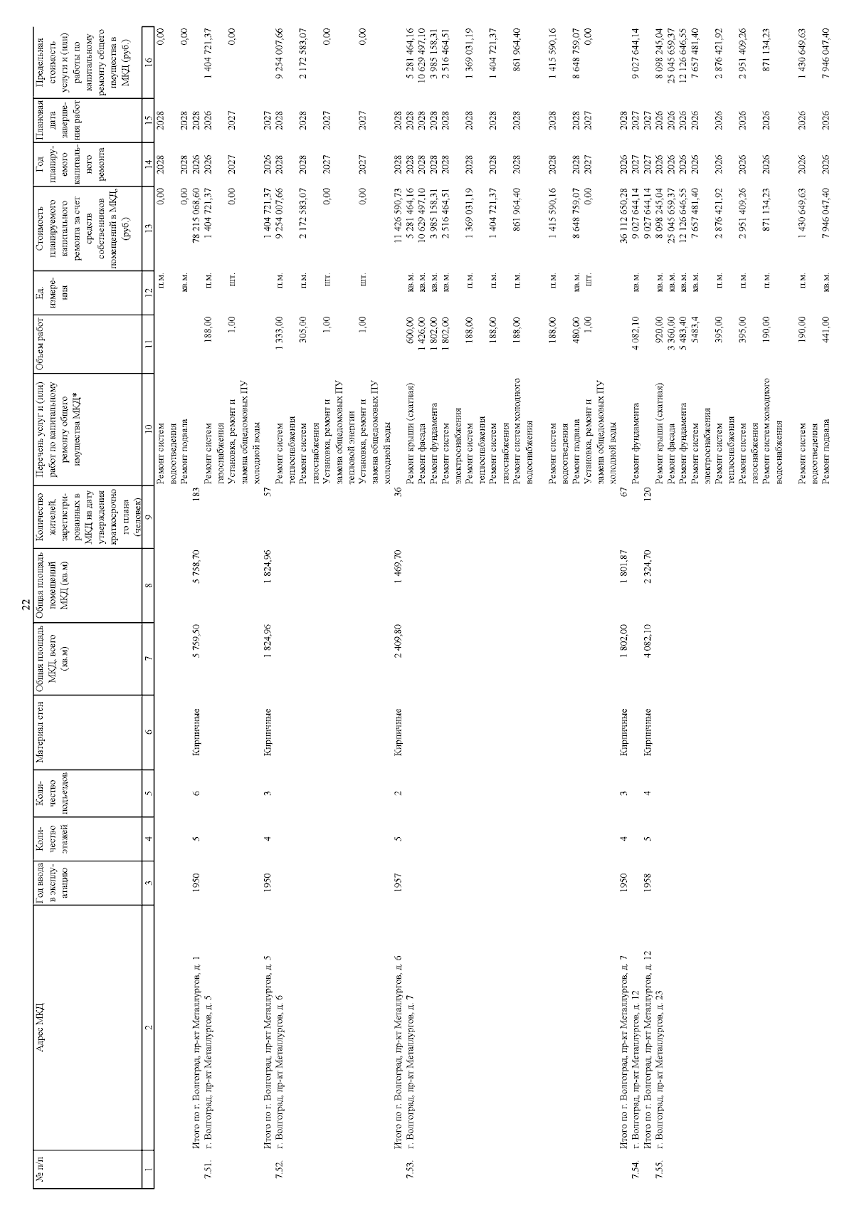
"О внесении изменений в приказ комитета жилищно-коммунального хозяйства Волгоградской области от 31 января 2025 г. № 9-ОД "Об утверждении краткосрочного плана реализации региональной программы "Капитальный ремонт общего имущества в многоквартирных домах, расположенных на территории Волгоградской области", утвержденной постановлением Правительства Волгоградской области от 31 декабря 2013 г. № 812-п, на 2026-2028 годы"
Номер опубликования: 3401202502250012
Дата опубликования: 25.02.2025
Страница №23 из 453:
Увеличить