Официальное опубликование правовых актов
ОФИЦИАЛЬНОЕ ОПУБЛИКОВАНИЕ
Приказ комитета жилищно-коммунального хозяйства Волгоградской области от 05.06.2020 № 116-ОД
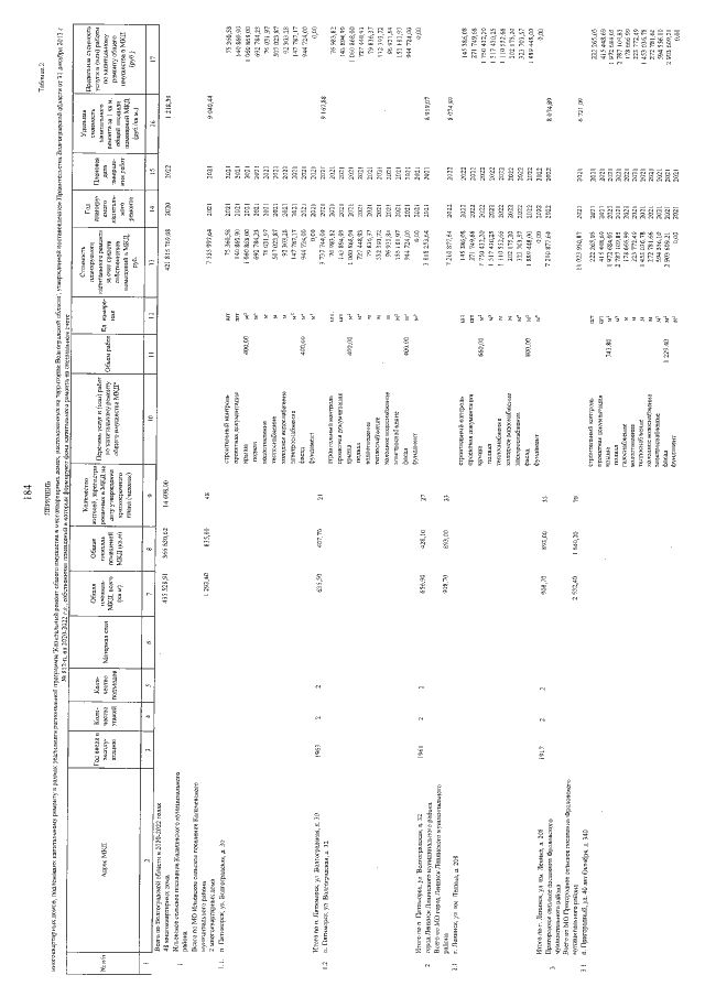
"О внесении изменений в приказ комитета жилищно-коммунального хозяйства и топливно-энергетического комплекса Волгоградской области от 15 апреля 2019 г. № 63-ОД "Об утверждении регионального краткосрочного плана реализации региональной программы "Капитальный ремонт общего имущества в многоквартирных домах, расположенных на территории Волгоградской области", утвержденной постановлением Правительства Волгоградской области от 31 декабря 2013 г. № 812-п, на 2020-2022 годы"
Номер опубликования: 3401202006080008
Дата опубликования: 08.06.2020
Страница №184 из 190:
Увеличить