Официальное опубликование правовых актов
ОФИЦИАЛЬНОЕ ОПУБЛИКОВАНИЕ
Приказ комитета жилищно-коммунального хозяйства и топливно-энергетического комплекса Волгоградской области от 10.02.2020 № 20-ОД
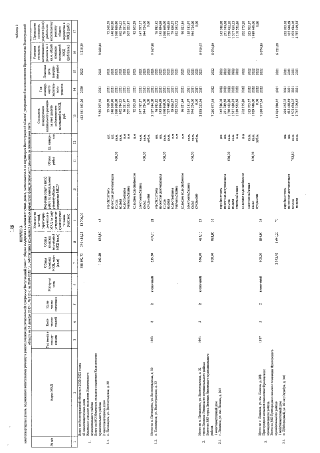
"О внесении изменений в приказ комитета жилищно-коммунального хозяйства и топливно-энергетического комплекса Волгоградской области от 15 апреля 2019 г. № 63-ОД "Об утверждении регионального краткосрочного плана реализации региональной программы "Капитальный ремонт общего имущества в многоквартирных домах, расположенных на территории Волгоградской области", утвержденной постановлением Правительства Волгоградской области от 31 декабря 2013 г. № 812-п, на 2020-2022 годы"
Номер опубликования: 3401202002180002
Дата опубликования: 18.02.2020
Страница №188 из 195:
Увеличить