Приказ комитета жилищно-коммунального хозяйства
и топливно-энергетического комплекса Волгоградской области
от 12.10.2017 № 281-ОД
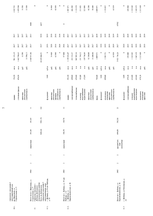
"О внесении изменений в приказ комитета жилищно-коммунального хозяйства Волгоградской области от 13 октября 2016 г. № 413-ОД "Об утверждении регионального краткосрочного плана реализации региональной программы "Капитальный ремонт общего имущества в многоквартирных домах, расположенных на территории Волгоградской области", утвержденной постановлением Правительства Волгоградской области от 31.12.2013 № 812-п, на 2017-2019 годы"
и топливно-энергетического комплекса Волгоградской области
от 12.10.2017 № 281-ОД
"О внесении изменений в приказ комитета жилищно-коммунального хозяйства Волгоградской области от 13 октября 2016 г. № 413-ОД "Об утверждении регионального краткосрочного плана реализации региональной программы "Капитальный ремонт общего имущества в многоквартирных домах, расположенных на территории Волгоградской области", утвержденной постановлением Правительства Волгоградской области от 31.12.2013 № 812-п, на 2017-2019 годы"
Номер опубликования: 3401201710180004
Дата опубликования:
18.10.2017
