Официальное опубликование правовых актов
ОФИЦИАЛЬНОЕ ОПУБЛИКОВАНИЕ
Приказ комитета жилищно-коммунального хозяйства
и топливно-энергетического комплекса Волгоградской области
от 25.07.2017 № 228-ОД
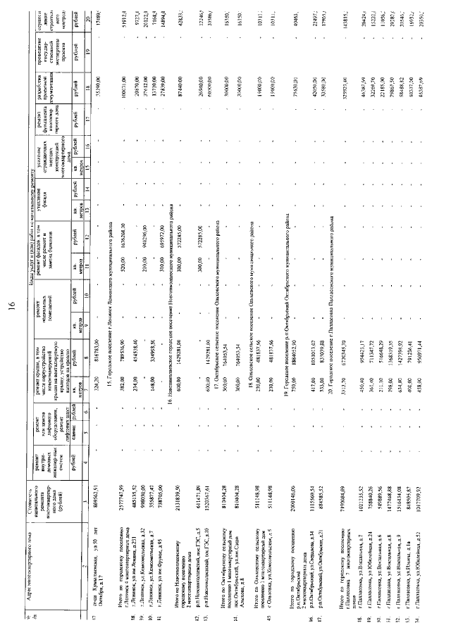
"О внесении изменений в приказ комитета жилищно-коммунального хозяйства Волгоградской области от 19.04.2016 № 105-ОД "Об утверждении краткосрочного плана реализации региональной программы "Капитальный ремонт общего имущества в многоквартирных домах, расположенных на территории Волгоградской области", утвержденной постановлением Правительства Волгоградской области от 31.12.2013 № 812-п, на 2015 год"
Номер опубликования: 3401201707310008
Дата опубликования: 31.07.2017
Страница №17 из 25:
Увеличить