Официальное опубликование правовых актов
ОФИЦИАЛЬНОЕ ОПУБЛИКОВАНИЕ
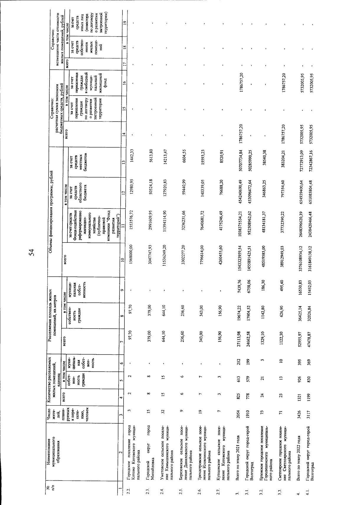
Постановление Администрации Волгоградской области от 18.11.2024 № 676-п
"О внесении изменений в постановление Администрации Волгоградской области от 01 апреля 2019 г. № 141-п "Об утверждении региональной адресной программы "Переселение граждан из аварийного жилищного фонда на территории Волгоградской области в 2019 - 2025 годах"
Номер опубликования: 3400202411200001
Дата опубликования: 20.11.2024
Страница №55 из 64:
Увеличить