Официальное опубликование правовых актов
ОФИЦИАЛЬНОЕ ОПУБЛИКОВАНИЕ
Постановление Администрации Волгоградской области от 12.08.2024 № 473-п
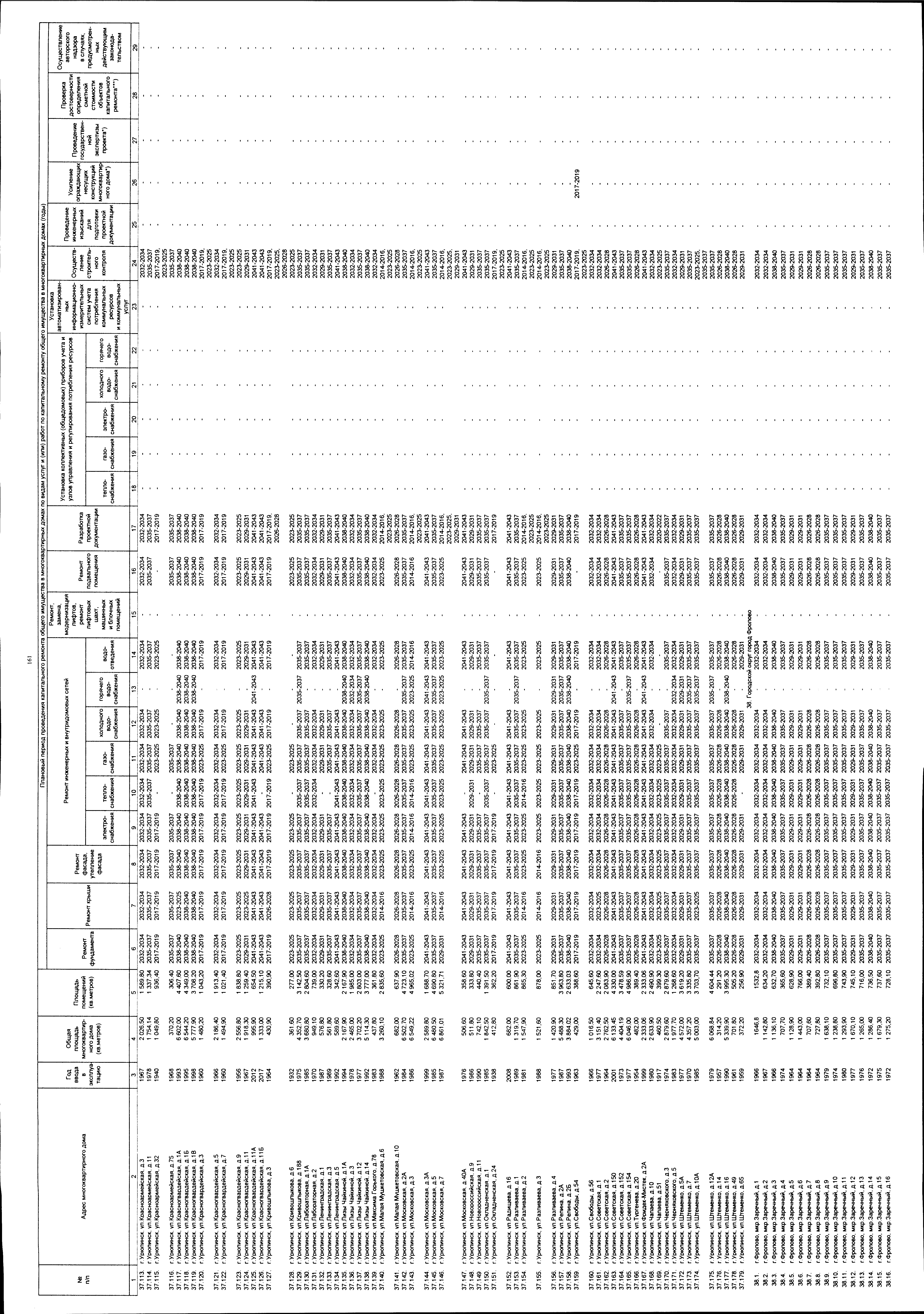
"О внесении изменений в постановление Правительства Волгоградской области от 31 декабря 2013 г. № 812-п "Об утверждении региональной программы "Капитальный ремонт общего имущества в многоквартирных домах, расположенных на территории Волгоградской области"
Номер опубликования: 3400202408160002
Дата опубликования: 16.08.2024
Страница №168 из 171: