Официальное опубликование правовых актов
ОФИЦИАЛЬНОЕ ОПУБЛИКОВАНИЕ
Постановление Администрации Волгоградской области от 08.11.2019 № 549-п
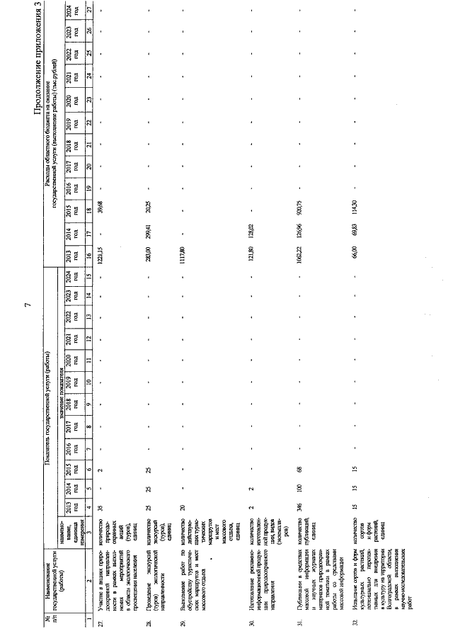
"О внесении изменений в постановление Правительства Волгоградской области от 04 декабря 2013 г. № 686-п "Об утверждении государственной программы Волгоградской области "Охрана окружающей среды на территории Волгоградской области"
Номер опубликования: 3400201911120003
Дата опубликования: 12.11.2019
Страница №95 из 114:
Увеличить